Services
Erection, Installation & Commissioning
Erection of all electrical equipment. LV/HV panles, PDP, PCC, Cables laying, System Earthing. Transformers
System Replacement
Brown field projects,Repalcement of cables & wires,Upgrading the PCC & MCC.Equipment Earthing,Cables dressing & cable tray laying
Mechanical & Plumbing
Structural Designing, Structural verification,Structure Installtion. Structural for equipment,Structure for utility etc. Compressed air pipe line, Water pipe line, (MS/PVC/PP)
HVAC
All comfort cooling system, HVAC System, Air handling units,Forced draft ventilation system
AMCS
Electrical Equipment,EOTs,LV Panels,HV Panels,MHEs
IT Infrastructure
IT Networking, Wireless Connections, Wired Connections, Offices & Factory
Advance Surveillance
Advance level surveillance system, Networking of CCTV, Networking of Telephonic System. Cloud recording
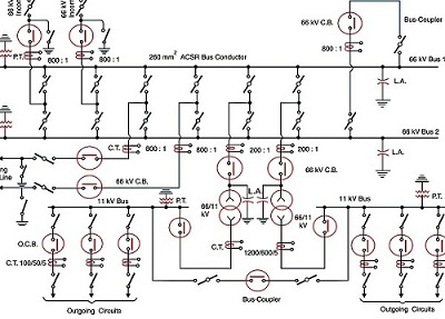
Single Line Diagram
Single line diagram from HV to LV. All plant distribution and floor machine connections. Complete Cable schedule
Plant Layouting
Complete plant layout with Machines and Periphery.
Fabrication
Electrical Equipment,EOTs,LV Panels,HV Panels,MHEs
